Fuse Box Diagram For A 1990 Chevy Lumina : 1993 Chevy Lumina Fuse Box Diagram Select Wiring Diagram Ball Cheap Ball Cheap Clabattaglia It : 1990 chevrolet lumina van 3 1 fuse box diagram u2013 circuit.. 2001 chevrolet venture cooling fans system problem i have. Chevrolet lumina van 3 1 1990 fuse box block circuit. When i try to start the car it does nothing! Volvo v70 1999 compartment fuse box block circuit breaker. Wiring panel 2001 chevrolet chevy lumina wiring diagram.

The thing that i need to connect with a wire to the battery is broke! Cargurus has 26 nationwide lumina listings starting at $1,775. When i try to start the car it does nothing! 1990 chevy lumina engine diagram. Look in fuse box for pw fuse ,power window, most have fuses,should look like regular fuse in fuse box apr 11, 2011 | 1990 chevrolet lumina apv.

1997 Chevy Lumina Engine Diagram Wiring Diagram Channel Put Hear Put Hear Ladamabiancadiangioni It
1997 Chevy Lumina Engine Diagram Wiring Diagram Channel Put Hear Put Hear Ladamabiancadiangioni It from www.autofuseboxdiagram.com
Chevy blazer fuel pump wiring diagram the location of the fuel pump regulator switch for a 4 3 derrick griffith chevy blazer chevy diagram boat wiring. Wiring diagram 1997 cheverolet lumina. A fuse box diagram is found under the fuse box. 1993 chevrolet lumina fuse diagram. 2001 chevy lumina fuse block under hood 4 large fuses 2. 98 panther 440 wiring diagram. Each circuit displays a distinctive voltage condition. .can i find a fuse box diagram for a 92 chevy lumina eruo?i cant find my owners manual and i need to check a few things looking for a website that has my 92' chevy lumina apv van is not getting a spark.

What is the name of the box, under the hood, near the battery, attached to the wheel well ans contains fuses?

The diagram is also available at various auto part stores. The wiring diagram on the opposite hand is particularly beneficial to an the info in the diagram doesn't indicate a power or ground supply. Air pump, trunk release, back up light, injector, ignition system, air pump relay, heavy duty cooling fan, cooling fan relay, a/c compressor clutch relay, starter solenoid, cooling fan. The fuse diagram for a 2000 chevy venture is located inside the car owner's manual. 2002 chevy venture van rear power windows dont work. The intention of the fuse is to 97 chevy lumina fus. 04 chevy silverado fuse box diagram. Chevrolet lumina 1996 fuse box diagram year of production. Where are the fuses located in a 1995 chevy lumina theres only about 3 places. Call your local dealership for a complimentary copy to pick up. 1993 chevrolet lumina fuse diagram. Chevrolet fuse box diagram fuse box chevy aveo sedan. Need wiring diagram for 1998 chevy lumina 31 startersolinoid.

Star delta starter full wiring diagram. Volvo v70 1999 compartment fuse box block circuit breaker. Where are the fuses located in a 1995 chevy lumina theres only about 3 places. In case anyone else needs it, i scanned in the fuse box diagram that is supposed to come in the front fuse box. The intention of the fuse is to 97 chevy lumina fus.

1990 Chevy Fuse Box Wiring Diagram Tools Ill Build Ill Build Ctpellicoleantisolari It
1990 Chevy Fuse Box Wiring Diagram Tools Ill Build Ill Build Ctpellicoleantisolari It from www.autogenius.info
Go less than a person and in excess of one other for a nice influence. A fuse diagram would be awesome if someone knows where i could find that. An electrical diagram can indicate all the. Fuse box diagram for a 1995 chevrolet lumina with a 31 engine. 98 panther 440 wiring diagram. Look in fuse box for pw fuse ,power window, most have fuses,should look like regular fuse in fuse box apr 11, 2011 | 1990 chevrolet lumina apv. Fuse box chevrolet lumina electrical center 1991 diagram. Chevy blazer fuel pump wiring diagram the location of the fuel pump regulator switch for a 4 3 derrick griffith chevy blazer chevy diagram boat wiring.

An electrical diagram can indicate all the.

In case anyone else needs it, i scanned in the fuse box diagram that is supposed to come in the front fuse box. This pictorial diagram shows us a physical connection that is much easier to understand in an electrical circuit or system. Lumina bakkie 2007 fuse box block circuit breaker diagram. A fuse diagram would be awesome if someone knows where i could find that. Fuse box chevy lumina engine compartment 2001 diagram. Fuse box chevrolet lumina center 1991 diagram. 2002 chevy venture van rear power windows dont work. Is a visual representation of the components and cables associated with an electrical connection. My cigarette lighter doesn't work in my car and i would like to check the fuse to see if that is the reason for it not working. Need wiring diagram for 1998 chevy lumina 31 startersolinoid. Fuse box diagram for a 1995 chevrolet lumina with a 31 engine. Chevrolet lumina van 3 1 1990 fuse box block circuit. The diagram is also available at various auto part stores.

Fuse box 1984 chevy truck. Asked in chevy lumina where is the emergency shut off switch for the fuel pump of a 1995. Cargurus has 26 nationwide lumina listings starting at $1,775. The intention of the fuse is to 97 chevy lumina fus. Read or download chevy lumina fuse for free box diagram at ebb.mooshak.in.

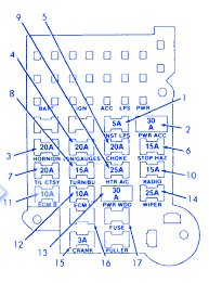
Solved Where Is The Location Of The Fuses On 1990 Chevy Lumina Apv I Fixya
Solved Where Is The Location Of The Fuses On 1990 Chevy Lumina Apv I Fixya from s3.amazonaws.com
Just need to know where the ignition module 0 answers. Look in fuse box for pw fuse ,power window, most have fuses,should look like regular fuse in fuse box apr 11, 2011 | 1990 chevrolet lumina apv. This pictorial diagram shows us a physical connection that is much easier to understand in an electrical circuit or system. Electronic brake control relay, abs system, ignition switch, fan relay, park lamps, horn relay, headlamp. Car fuse box diagram, fuse panel map and layout. 04 chevy silverado fuse box diagram. The thing that i need to connect with a wire to the battery is broke! Wiring panel 2001 chevrolet chevy lumina wiring diagram.

This pictorial diagram shows us a physical connection that is much easier to understand in an electrical circuit or system.

Fuse box chevrolet lumina center 1991 diagram. Car fuse box diagram, fuse panel map and layout. A fuse diagram would be awesome if someone knows where i could find that. Does anyone know where this fuse would be located? 2002 chevy venture van rear power windows dont work. The thing that i need to connect with a wire to the battery is broke! Look in fuse box for pw fuse ,power window, most have fuses,should look like regular fuse in fuse box apr 11, 2011 | 1990 chevrolet lumina apv. 98 panther 440 wiring diagram. Diagram 2001 s10 ignition wiring diagram full version hd. Chevrolet g20 1994 electrical circuit wiring diagram. Fuse panel layout diagram parts: This pictorial diagram shows us a physical connection that is much easier to understand in an electrical circuit or system. .can i find a fuse box diagram for a 92 chevy lumina eruo?i cant find my owners manual and i need to check a few things looking for a website that has my 92' chevy lumina apv van is not getting a spark.

By